|
|
|
|
A. C. Motors (Face Mounted) |
|
| |
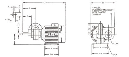
(3 Phase, 415 Volts, T.E.F.C. Foot, Flange, Face Mounting Type)
|
FRAME
|
T.E.F.C FOOT MOUNTED
|
T.E.F.C FLANGE
|
T.E.F.C FACE MOUNTED
|
OVERALL DETAILS
|
|
MODEL
|
A
|
B
|
C
|
H
|
K
|
AB
|
BB
|
P
|
M
|
N
|
S
|
T
|
LA
|
P
|
M
|
N
|
S
|
T
|
D
|
E
|
F
|
GA
|
L
|
AC
|
|
63
|
100
|
50
|
40
|
63
|
7
|
120
|
75.105.110
|
140
|
115
|
95
|
10
|
3
|
9
|
90
|
75
|
60
|
M8
|
2.5
|
11
|
23
|
4
|
12.5
|
175.220-225
|
119
|
|
71
|
112
|
90
|
45
|
71
|
7
|
145
|
120
|
160
|
130
|
110
|
10
|
3.5
|
9
|
105
|
85
|
70
|
M8
|
2.5
|
14
|
30
|
5
|
16
|
246
|
140
|
|
80
|
125
|
100
|
50
|
80
|
10
|
160
|
130
|
200
|
165
|
130
|
12
|
3.5
|
10
|
120
|
100
|
80
|
M8
|
3.0
|
19
|
40
|
6
|
21.5
|
277
|
162
|
|
90 S
|
140
|
100
|
56
|
90
|
10
|
175
|
132
|
200
|
165
|
130
|
12
|
3.5
|
10
|
140
|
115
|
95
|
M8
|
3.0
|
24
|
50
|
8
|
27
|
312
|
173
|
|
90 L
|
140
|
125
|
56
|
90
|
10
|
175
|
157
|
200
|
165
|
130
|
12
|
3.5
|
10
|
140
|
115
|
95
|
M8
|
3.0
|
24
|
50
|
8
|
27
|
337
|
173
|
|
100 L
|
160
|
140
|
63
|
100
|
12
|
200
|
170
|
250
|
165
|
180
|
15
|
4
|
11
|
160
|
130
|
110
|
M8
|
3.5
|
28
|
60
|
8
|
31
|
370
|
195
|
|
112 M
|
190
|
140
|
70
|
112
|
12
|
225
|
175
|
250
|
215
|
180
|
15
|
4
|
11
|
160
|
130
|
110
|
M8
|
3.5
|
28
|
60
|
8
|
31
|
397
|
226
|
|
132 S
|
216
|
140
|
89
|
132
|
12
|
258
|
175
|
300
|
265
|
230
|
15
|
4
|
12
|
200
|
165
|
130
|
M12
|
3.5
|
38
|
80
|
10
|
41
|
455
|
260
|
|
132 M
|
216
|
178
|
89
|
132
|
12
|
258
|
215
|
300
|
265
|
230
|
15
|
4
|
12
|
200
|
165
|
130
|
M12
|
3.5
|
38
|
80
|
10
|
41
|
490
|
260
|
|
| |
 |
| |
|
|
|
A. C. Motors (Flange Mounted) |
|
| |
(1 Phase, 220 Volts, Shaded Pole, Flange Mounting Type)
|
MODEL
|
KW
|
HP
|
RPM
|
E
|
D
|
T
|
I
|
N
|
M
|
P
|
S-
|
AC
|
L
|
|
ESPI-1
|
0.09
|
1/40
|
1350
|
20
|
8
|
2
|
10
|
75
|
20
|
110
|
128
|
93
|
115
|
|
| |
 |
| |
|
|
|
A. C. Motors (Foot Mounted) |
|
| |
(220 Volts, Shaded Pole, Foot Mounting Type)
|
MODEL
|
KW
|
HP
|
RPM
|
H
|
E
|
D
|
A
|
B
|
C
|
AB
|
BB
|
AC
|
HD
|
K
|
L
|
|
SP-1
|
0.019
|
1/40
|
1350
|
52
|
20
|
8
|
75
|
35
|
32
|
92
|
78
|
93
|
100
|
6
|
115
|
|
| |
 |
| |
|
|
|
A.C. Helical Foot Mounted Geared Motors |
|
| |
| Description / Specification of A.C. Helical Foot Mounted Geared Motors |
|
We are involved in offering a wide range of A.C. Helical Foot Mounted Geared Motors to our most valued clients. Our range of these are widely appreciated by our clients which are situated all round the nation. We offer our range of it at most affordable prices.
We introduce ourselves as an eminent trader and supplier of an extensive array of A.C. Helical Foot Mounted Geared Motors. Prior to dispatch, our quality controllers run numerous tests on the entire range on various parameters of quality and durability. The offered equipment is manufactured using superior quality components with the aid of sophisticated techniques at the vendors' end. Moreover, our precious clients can purchase it in different technical specifications at reasonable price from us within promised time frame.
Features:
- Sturdy design
- Highly durable
- Application specific design
|
| |
|
|
| |
 |
| |
|
|
|
Universal Horizontal Foot Mounting |
|
| |
| Description / Specification of Universal Horizontal Foot Mounting |
|
We are involved in offering a wide range of Universal Horizontal Foot Mounting to our most valued clients. Our range of these are widely appreciated by our clients which are situated all round the nation. We offer our range of it at most affordable prices.
We introduce ourselves as an eminent trader and supplier of an extensive array of Universal Horizontal Foot Mounting. Prior to dispatch, our quality controllers run numerous tests on the entire range on various parameters of quality and durability. The offered equipment is manufactured using superior quality components with the aid of sophisticated techniques at the vendors' end. Moreover, our precious clients can purchase it in different technical specifications at reasonable price from us within promised time frame.
Features:
- Sturdy design
- Highly durable
- Application specific design
|
| |
|
|
| |
 |
| |
|
|
|
Double Reduction Foot Mounted Motor |
|
| |
Power : 1/10 To 1/2 HP
lllll
|
| |
 |
| |
|
|
|
D. C Worm Geared Motors |
|
| |
Description / Specification of D. C Worm Geared Motors
We are involved in offering a wide range of D. C Worm Geared Motors to our most valued clients. Our range of these are widely appreciated by our clients which are situated all round the nation. We offer our range of it at most affordable prices.
We introduce ourselves as an eminent trader and supplier of an extensive array of D. C Worm Geared Motors. Prior to dispatch, our quality controllers run numerous tests on the entire range on various parameters of quality and durability. The offered equipment is manufactured using superior quality components with the aid of sophisticated techniques at the vendors' end. Moreover, our precious clients can purchase it in different technical specifications at reasonable price from us within promised time frame.
Features:
Sturdy design
Highly durable
Application specific design
|
| |
 |
| |
|
|
|
Shaded Pole Ac Motors Foot Mounted |
|
| |
Description / Specification of Shaded Pole Ac Motors Foot Mounted
We are involved in offering a wide range of Shaded Pole Ac Motors Foot Mounted to our most valued clients. Our range of these are widely appreciated by our clients which are situated all round the nation. We offer our range of it at most affordable prices.
We introduce ourselves as an eminent trader and supplier of an extensive array of Shaded Pole Ac Motors Foot Mounted. Prior to dispatch, our quality controllers run numerous tests on the entire range on various parameters of quality and durability. The offered equipment is manufactured using superior quality components with the aid of sophisticated techniques at the vendors' end. Moreover, our precious clients can purchase it in different technical specifications at reasonable price from us within promised time frame.
Features:
Sturdy design
Highly durable
Application specific design
|
| |
 |
| |
|
|
|
A.C. Motors Single Phase |
|
| |
Description / Specification of A.C. Motors Single Phase
We are involved in offering a wide range of A.C. Motors Single Phase to our most valued clients. Our range of these are widely appreciated by our clients which are situated all round the nation. We offer our range of it at most affordable prices.
We introduce ourselves as an eminent trader and supplier of an extensive array of A.C. Motors Single Phase. Prior to dispatch, our quality controllers run numerous tests on the entire range on various parameters of quality and durability. The offered equipment is manufactured using superior quality components with the aid of sophisticated techniques at the vendors' end. Moreover, our precious clients can purchase it in different technical specifications at reasonable price from us within promised time frame.
Features:
Sturdy design
Highly durable
Application specific design
|
| |
 |
| |
|
|
|
T.E.F.C. Foot Mounted A.C. Worm Geared Motors |
|
| |
Description / Specification of T.E.F.C. Foot Mounted A.C. Worm Geared Motors
We are involved in offering a wide range of T.E.F.C. Foot Mounted A.C. Worm Geared Motors to our most valued clients. Our range of these are widely appreciated by our clients which are situated all round the nation. We offer our range of it at most affordable prices.
We introduce ourselves as an eminent trader and supplier of an extensive array of T.E.F.C. Foot Mounted A.C. Worm Geared Motors. Prior to dispatch, our quality controllers run numerous tests on the entire range on various parameters of quality and durability. The offered equipment is manufactured using superior quality components with the aid of sophisticated techniques at the vendors' end. Moreover, our precious clients can purchase it in different technical specifications at reasonable price from us within promised time frame.
Features:
Sturdy design
Highly durable
Application specific design
|
| |
 |
| |
|
|
|
T.E.F.C. Foot Mounted A.C. Induction Motors |
|
| |
Description / Specification of T.E.F.C. Foot Mounted A.C. Induction Motors
We are involved in offering a wide range of T.E.F.C. Foot Mounted A.C. Induction Motors to our most valued clients. Our range of these are widely appreciated by our clients which are situated all round the nation. We offer our range of it at most affordable prices.
We introduce ourselves as an eminent trader and supplier of an extensive array of T.E.F.C. Foot Mounted A.C. Induction Motors. Prior to dispatch, our quality controllers run numerous tests on the entire range on various parameters of quality and durability. The offered equipment is manufactured using superior quality components with the aid of sophisticated techniques at the vendors' end. Moreover, our precious clients can purchase it in different technical specifications at reasonable price from us within promised time frame.
Features:
Sturdy design
Highly durable
Application specific design
|
| |
 |
| |
|
|
|
T.E.F.C Flange Mounted A.C. Induction Motors |
|
| |
Description / Specification of T.E.F.C Flange Mounted A.C. Induction Motors
We are involved in offering a wide range of T.E.F.C Flange Mounted A.C. Induction Motors to our most valued clients. Our range of these are widely appreciated by our clients which are situated all round the nation. We offer our range of it at most affordable prices.
We introduce ourselves as an eminent trader and supplier of an extensive array of T.E.F.C Flange Mounted A.C. Induction Motors. Prior to dispatch, our quality controllers run numerous tests on the entire range on various parameters of quality and durability. The offered equipment is manufactured using superior quality components with the aid of sophisticated techniques at the vendors' end. Moreover, our precious clients can purchase it in different technical specifications at reasonable price from us within promised time frame.
Features:
Sturdy design
Highly durable
Application specific design
|
| |
 |
| |
|
|
|
T.E.F. Flange Mounted A.C. Induction Motors |
|
| |
Description / Specification of T.E.F. Flange Mounted A.C. Induction Motors
We are involved in offering a wide range of T.E.F. Flange Mounted A.C. Induction Motors to our most valued clients. Our range of these are widely appreciated by our clients which are situated all round the nation. We offer our range of it at most affordable prices.
We introduce ourselves as an eminent trader and supplier of an extensive array of T.E.F. Flange Mounted A.C. Induction Motors. Prior to dispatch, our quality controllers run numerous tests on the entire range on various parameters of quality and durability. The offered equipment is manufactured using superior quality components with the aid of sophisticated techniques at the vendors' end. Moreover, our precious clients can purchase it in different technical specifications at reasonable price from us within promised time frame.
Features:
Sturdy design
Highly durable
Application specific design
|
| |
 |
| |
|
|
|
A.C. Geared Motors Helical Foot Mounted |
|
| |
Description / Specification of A.C. Geared Motors Helical Foot Mounted
We are involved in offering a wide range of A.C. Geared Motors Helical Foot Mounted to our most valued clients. Our range of these are widely appreciated by our clients which are situated all round the nation. We offer our range of it at most affordable prices.
We introduce ourselves as an eminent trader and supplier of an extensive array of A.C. Geared Motors Helical Foot Mounted. Prior to dispatch, our quality controllers run numerous tests on the entire range on various parameters of quality and durability. The offered equipment is manufactured using superior quality components with the aid of sophisticated techniques at the vendors' end. Moreover, our precious clients can purchase it in different technical specifications at reasonable price from us within promised time frame.
Features:
Sturdy design
Highly durable
Application specific design
|
| |
 |
| |
|
|
|
Double Reduction Foot Mounted Motors |
|
| |
Description / Specification of Double Reduction Foot Mounted Motors
We are involved in offering a wide range of Double Reduction Foot Mounted Motors to our most valued clients. Our range of these are widely appreciated by our clients which are situated all round the nation. We offer our range of it at most affordable prices.
We introduce ourselves as an eminent trader and supplier of an extensive array of Double Reduction Foot Mounted Motors. Prior to dispatch, our quality controllers run numerous tests on the entire range on various parameters of quality and durability. The offered equipment is manufactured using superior quality components with the aid of sophisticated techniques at the vendors' end. Moreover, our precious clients can purchase it in different technical specifications at reasonable price from us within promised time frame.
Features:
Sturdy design
Highly durable
Application specific design
|
| |
 |
| |
|
|
|
A.C. And D.C. Motors Universal Horizontal Foot Mounting |
|
| |
Description / Specification of A.C. And D.C. Motors Universal Horizontal Foot Mounting
We are involved in offering a wide range of A.C. And D.C. Motors Universal Horizontal Foot Mounting to our most valued clients. Our range of these are widely appreciated by our clients which are situated all round the nation. We offer our range of it at most affordable prices.
We introduce ourselves as an eminent trader and supplier of an extensive array of A.C. And D.C. Motors Universal Horizontal Foot Mounting. Prior to dispatch, our quality controllers run numerous tests on the entire range on various parameters of quality and durability. The offered equipment is manufactured using superior quality components with the aid of sophisticated techniques at the vendors' end. Moreover, our precious clients can purchase it in different technical specifications at reasonable price from us within promised time frame.
Features:
Sturdy design
Highly durable
Application specific design
|
| |
 |
| |
|
|
|
A.C. And D.C. Universal Worm Geared Motors |
|
| |
Description / Specification of A.C. And D.C. Universal Worm Geared Motors
We are involved in offering a wide range of A.C. And D.C. Universal Worm Geared Motors to our most valued clients. Our range of these are widely appreciated by our clients which are situated all round the nation. We offer our range of it at most affordable prices.
We introduce ourselves as an eminent trader and supplier of an extensive array of A.C. And D.C. Universal Worm Geared Motors. Prior to dispatch, our quality controllers run numerous tests on the entire range on various parameters of quality and durability. The offered equipment is manufactured using superior quality components with the aid of sophisticated techniques at the vendors' end. Moreover, our precious clients can purchase it in different technical specifications at reasonable price from us within promised time frame.
Features:
Sturdy design
Highly durable
Application specific design
|
| |
 |
| |
|
|
|
D. C. Foot Mounted Motors |
|
| |
24 / 30, 220 Volts, Variable Speed
|
MODEL
|
KW
|
HP
|
RPM
|
H
|
E
|
DO
|
KO
|
A
|
B
|
C
|
AB
|
BB
|
AC
|
HD
|
L
|
|
D-1
|
0.037
|
1/20
|
2000
|
56
|
18
|
6.0
|
6.5
|
75
|
63
|
60
|
92
|
78
|
87
|
100
|
153
|
|
D-2
|
0.046
|
1/16
|
2400
|
56
|
18
|
6.0
|
6.5
|
75
|
63
|
60
|
92
|
78
|
87
|
100
|
153
|
|
D-3
|
0.061
|
1/12
|
3000
|
56
|
25
|
9.0
|
6.5
|
75
|
63
|
60
|
92
|
78
|
87
|
100
|
184
|
|
D-4-S
|
0.092
|
1/8
|
1500
|
63
|
25
|
11
|
10
|
100
|
80
|
65
|
124
|
100
|
116
|
121
|
221
|
|
D-4-L
|
0.092
|
1/8
|
3000
|
63
|
25
|
11
|
10
|
100
|
80
|
65
|
124
|
100
|
116
|
121
|
221
|
|
D-71-S
|
0.185
|
1/4
|
1500
|
71
|
35
|
14
|
10
|
120
|
90
|
100
|
145
|
112
|
127
|
165
|
266
|
|
D-71-L
|
0.185
|
1/4
|
3000
|
71
|
35
|
14
|
10
|
120
|
90
|
100
|
145
|
112
|
127
|
165
|
266
|
|
D-90
|
0.37
|
1/2
|
1500
|
90
|
40
|
19
|
10
|
140
|
100
|
110
|
173
|
120
|
157
|
172
|
294
|
|
D-90-1
|
0.74
|
1
|
1500
|
90
|
40
|
19
|
10
|
140
|
125
|
100
|
173
|
142
|
157
|
172
|
314
|
|
D-112
|
1.11
|
1.5
|
1500
|
112
|
50
|
24
|
12
|
190
|
115
|
113
|
230
|
147
|
215
|
222
|
374
|
|
D-112-1
|
1.48
|
2
|
1500
|
112
|
50
|
24
|
12
|
190
|
145
|
108
|
230
|
173
|
215
|
222
|
400
|
|
D-112-2
|
2.22
|
3
|
1500
|
112
|
50
|
24
|
12
|
190
|
160
|
108
|
255
|
205
|
218
|
222
|
440
|
|
| |
 |
| |
|
|
|
T. E. F. C. Foot And Flange Mounted A. C. Induction Motors |
|
| |
(200 / 230 V. 50 Hz. 1 Phase)
|
MODEL
|
FRAME
|
KW
|
HP
|
RPM
|
H
|
E
|
D
|
A
|
B
|
C
|
AB
|
BB
|
AC
|
HD
|
K
|
F
|
GA
|
L
|
|
ES1/63-1/1
|
63
|
0.06
|
1/12
|
1400
|
63
|
35
|
11
|
100
|
50
|
35
|
120
|
65
|
119
|
134
|
7
|
4
|
12.5
|
175
|
|
ES1/63-1/2
|
63
|
0.06
|
1/12
|
2800
|
63
|
35
|
11
|
100
|
50
|
35
|
120
|
65
|
119
|
134
|
7
|
4
|
12.5
|
175
|
|
ES1/63-2/1
|
63
|
0.07
|
1/10
|
1400
|
63
|
35
|
11
|
100
|
50
|
35
|
120
|
65
|
119
|
134
|
7
|
4
|
12.5
|
175
|
|
ES1/63-2/2
|
63
|
0.07
|
1/10
|
2800
|
63
|
35
|
11
|
100
|
50
|
35
|
120
|
65
|
119
|
134
|
7
|
4
|
12.5
|
175
|
|
ES1/63-3/1
|
63
|
0.09
|
1/8
|
1400
|
63
|
35
|
11
|
100
|
80
|
35
|
120
|
100
|
119
|
140
|
7
|
4
|
12.5
|
200
|
|
ES1/63-3/2
|
63
|
0.09
|
1/8
|
2800
|
63
|
35
|
11
|
100
|
80
|
35
|
120
|
100
|
119
|
140
|
7
|
4
|
12.5
|
200
|
|
ES1/63-4/1
|
63
|
0.12
|
1/6
|
1400
|
63
|
35
|
11
|
100
|
80
|
35
|
120
|
110
|
119
|
162
|
7
|
4
|
12.5
|
220
|
|
ES1/63-4/2
|
63
|
0.12
|
1/6
|
2800
|
63
|
35
|
11
|
100
|
80
|
35
|
120
|
110
|
119
|
162
|
7
|
4
|
12.5
|
220
|
|
ES1/71-5/1
|
71
|
0.18
|
1/4
|
1400
|
71
|
45
|
14
|
120
|
90
|
40
|
140
|
115
|
140
|
185
|
7
|
5
|
16
|
246
|
|
ES1/71-5/2
|
71
|
0.18
|
1/4
|
2800
|
71
|
45
|
14
|
120
|
90
|
40
|
140
|
115
|
140
|
185
|
7
|
5
|
16
|
246
|
|
| |
 |
| |
|
|
|
A. C. Worm Geared Motors |
|
| |
(1 Phase, 220 Volts Foot Mounting Type)
|
MODEL
|
FRAME
|
KW
|
HP
|
RPM
|
H
|
F
|
E
|
D
|
J
|
K
|
M
|
A
|
B
|
C
|
AB
|
BB
|
AC
|
AD
|
S
|
GA
|
L
|
|
GS63-1A
|
63
|
0.06
|
1/12
|
25
|
63
|
31.5
|
35
|
10
|
55
|
7
|
56
|
100
|
50
|
72
|
120
|
65
|
119
|
71
|
4
|
13.5
|
220
|
|
GS63-1B
|
63
|
0.06
|
1/12
|
50
|
63
|
31.5
|
35
|
10
|
55
|
7
|
56
|
100
|
50
|
72
|
120
|
65
|
119
|
71
|
4
|
13.5
|
220
|
|
GS63-1D
|
63
|
0.06
|
1/12
|
100"
|
63
|
31.5
|
35
|
10
|
55
|
7
|
56
|
100
|
50
|
72
|
120
|
65
|
119
|
71
|
4
|
13.5
|
220
|
|
GS63-1F
|
63
|
0.06
|
1/12
|
200"
|
63
|
31.5
|
35
|
10
|
55
|
7
|
56
|
100
|
50
|
72
|
120
|
65
|
119
|
71
|
4
|
13.5
|
220
|
|
GS63-2A
|
63
|
0.09
|
1/8
|
25
|
63
|
31.5
|
35
|
10
|
55
|
7
|
56
|
100
|
80
|
72
|
120
|
100
|
119
|
77
|
4
|
13.5
|
250
|
|
GS63-2B
|
63
|
0.09
|
1/8
|
50
|
63
|
31.5
|
35
|
10
|
55
|
7
|
56
|
100
|
80
|
72
|
120
|
100
|
119
|
77
|
4
|
13.5
|
250
|
|
GS63-2D
|
63
|
0.09
|
1/8
|
100"
|
63
|
31.5
|
35
|
10
|
55
|
7
|
56
|
100
|
80
|
72
|
120
|
100
|
119
|
77
|
4
|
13.5
|
250
|
|
GS63-2F
|
63
|
0.09
|
1/8
|
200"
|
63
|
31.5
|
35
|
10
|
55
|
7
|
56
|
100
|
80
|
72
|
120
|
100
|
119
|
77
|
4
|
13.5
|
250
|
|
GS63-3A
|
63
|
0.12
|
1/6
|
33
|
63
|
40
|
40
|
14
|
70
|
7
|
70
|
100
|
90
|
98
|
120
|
110
|
119
|
99
|
5
|
16
|
290
|
|
GS63-3C
|
63
|
0.12
|
1/6
|
65
|
63
|
40
|
40
|
14
|
70
|
7
|
70
|
100
|
90
|
98
|
120
|
110
|
119
|
99
|
5
|
16
|
290
|
|
GS63-3E
|
63
|
0.12
|
1/6
|
130"
|
63
|
40
|
40
|
14
|
70
|
7
|
70
|
100
|
90
|
98
|
120
|
110
|
119
|
99
|
5
|
16
|
290
|
|
GS63-3F
|
63
|
0.12
|
1/6
|
260"
|
63
|
40
|
40
|
14
|
70
|
7
|
70
|
100
|
90
|
98
|
120
|
110
|
119
|
99
|
5
|
16
|
290
|
|
GS71-4A
|
71
|
0.18
|
1/4
|
33
|
71
|
40
|
40
|
14
|
70
|
7
|
70
|
120
|
90
|
98
|
140
|
115
|
140
|
114
|
5
|
18
|
320
|
|
GS71-4C
|
71
|
0.18
|
1/4
|
65
|
71
|
40
|
40
|
14
|
70
|
7
|
70
|
120
|
90
|
98
|
140
|
115
|
140
|
114
|
5
|
18
|
320
|
|
GS71-4E
|
71
|
0.18
|
1/4
|
130"
|
71
|
40
|
40
|
14
|
70
|
7
|
70
|
120
|
90
|
98
|
140
|
115
|
140
|
114
|
5
|
18
|
320
|
|
GS71-4F
|
71
|
0.18
|
1/4
|
260"
|
71
|
40
|
40
|
14
|
70
|
7
|
70
|
120
|
90
|
98
|
140
|
115
|
140
|
114
|
5
|
18
|
320
|
|
| |
 |
| |
|
|
|
D. C Foot Mounted Worm Geared Motors |
|
| |
Cap. : 24 / 30, 220 Volts, Variable Speed
|
MODEL
|
KW
|
HP
|
RPM
|
H
|
E
|
D
|
ØK
|
A
|
B
|
C
|
AB
|
BB
|
GA
|
HD
|
L
|
F
|
|
DG 2/50
|
0.05
|
1/16
|
50
|
56
|
30
|
10
|
6.0
|
75
|
62
|
57
|
91
|
78
|
9
|
100
|
212
|
35.5
|
|
DG 2/100
|
0.05
|
1/16
|
100
|
56
|
30
|
10
|
6.0
|
75
|
62
|
57
|
91
|
78
|
9
|
100
|
212
|
35.5
|
|
DG 2/200
|
0.05
|
1/16
|
200
|
56
|
30
|
10
|
6.0
|
75
|
62
|
57
|
91
|
78
|
9
|
100
|
212
|
35.5
|
|
DG 3/60
|
0.06
|
1/12
|
60
|
56
|
30
|
10
|
6.0
|
75
|
62
|
74
|
91
|
78
|
9
|
100
|
212
|
35.5
|
|
DG 3/120
|
0.06
|
1/12
|
120
|
56
|
30
|
10
|
6.0
|
75
|
62
|
74
|
91
|
78
|
9
|
100
|
212
|
35.5
|
|
DG 3/240
|
0.06
|
1/12
|
240
|
56
|
30
|
10
|
6.0
|
75
|
62
|
74
|
91
|
78
|
9
|
100
|
212
|
35.5
|
|
DG 4/33
|
0.09
|
1/8
|
33
|
65
|
40
|
14
|
9.5
|
100
|
80
|
95
|
124
|
100
|
11.5
|
130
|
300
|
44
|
|
DG 4/65
|
0.09
|
1/8
|
65
|
65
|
40
|
14
|
9.5
|
100
|
80
|
95
|
124
|
100
|
11.5
|
130
|
300
|
44
|
|
DG 4/130
|
0.09
|
1/8
|
130
|
65
|
40
|
14
|
9.5
|
100
|
80
|
95
|
124
|
100
|
11.5
|
130
|
300
|
44
|
|
DG 4/240
|
0.09
|
1/8
|
240
|
65
|
40
|
14
|
9.5
|
100
|
80
|
95
|
124
|
100
|
11.5
|
130
|
300
|
44
|
|
DG 71/33
|
0.19
|
1/4
|
33
|
71
|
40
|
14
|
9.5
|
120
|
90
|
117
|
145
|
110
|
11.5
|
135
|
333
|
44
|
|
DG 71/65
|
0.19
|
1/4
|
65
|
71
|
40
|
14
|
9.5
|
120
|
90
|
117
|
145
|
110
|
11.5
|
135
|
333
|
44
|
|
DG 71/130
|
0.19
|
1/4
|
130
|
71
|
40
|
14
|
9.5
|
120
|
90
|
117
|
145
|
110
|
11.5
|
135
|
333
|
44
|
|
DG 71/240
|
0.19
|
1/4
|
260
|
71
|
40
|
14
|
9.5
|
120
|
90
|
117
|
145
|
110
|
11.5
|
135
|
333
|
44
|
|
| |
 |
| |
|
|
|
Double Reduction Gear Motors |
|
| |
Description / Specification of Double Reduction Gear Motors
We are involved in offering a wide range of Double Reduction Gear Motors to our most valued clients. Our range of these are widely appreciated by our clients which are situated all round the nation. We offer our range of it at most affordable prices.
We introduce ourselves as an eminent trader and supplier of an extensive array of Double Reduction Gear Motors. Prior to dispatch, our quality controllers run numerous tests on the entire range on various parameters of quality and durability. The offered equipment is manufactured using superior quality components with the aid of sophisticated techniques at the vendors' end. Moreover, our precious clients can purchase it in different technical specifications at reasonable price from us within promised time frame.
Features:
Sturdy design
Highly durable
Application specific design
|
| |
 |
| |
|
|
|
Hollow Shoft Gear Motors |
|
| |
Description / Specification of Hollow Shoft Gear Motors
We are involved in offering a wide range of Hollow Shoft Gear Motors to our most valued clients. Our range of these are widely appreciated by our clients which are situated all round the nation. We offer our range of it at most affordable prices.
We introduce ourselves as an eminent trader and supplier of an extensive array of Hollow Shoft Gear Motors. Prior to dispatch, our quality controllers run numerous tests on the entire range on various parameters of quality and durability. The offered equipment is manufactured using superior quality components with the aid of sophisticated techniques at the vendors' end. Moreover, our precious clients can purchase it in different technical specifications at reasonable price from us within promised time frame.
Features:
Sturdy design
Highly durable
Application specific design
|
| |
 |
| |
|
|
|
Helical Gear Motors |
|
| |
Description / Specification of Helical Gear Motors
We are involved in offering a wide range of Helical Gear Motors to our most valued clients. Our range of these are widely appreciated by our clients which are situated all round the nation. We offer our range of it at most affordable prices.
We introduce ourselves as an eminent trader and supplier of an extensive array of Helical Gear Motors. Prior to dispatch, our quality controllers run numerous tests on the entire range on various parameters of quality and durability. The offered equipment is manufactured using superior quality components with the aid of sophisticated techniques at the vendors' end. Moreover, our precious clients can purchase it in different technical specifications at reasonable price from us within promised time frame.
Features:
Sturdy design
Highly durable
Application specific design
|
| |
 |
| |
|
|
|
Ac And Dc Geared Stirrer |
|
| |
Description / Specification of Ac And Dc Geared Stirrer
We are involved in offering a wide range of Ac And Dc Geared Stirrer to our most valued clients. Our range of these are widely appreciated by our clients which are situated all round the nation. We offer our range of it at most affordable prices.
We introduce ourselves as an eminent trader and supplier of an extensive array of Ac And Dc Geared Stirrer. Prior to dispatch, our quality controllers run numerous tests on the entire range on various parameters of quality and durability. The offered equipment is manufactured using superior quality components with the aid of sophisticated techniques at the vendors' end. Moreover, our precious clients can purchase it in different technical specifications at reasonable price from us within promised time frame.
Features:
Sturdy design
Highly durable
Application specific design
|
| |
 |
| |
|
|
|
|
|
|
|
|
|