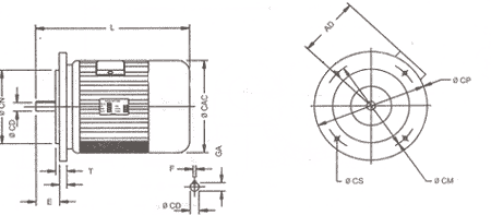
T. E. F. Flange Mounted A. C. Induction Motors

EMTEK MOTORS AND LAB EQUIPMENTS
Mumbai

Manufacturers of : T. E. F. Flange Mounted A. C. Induction Motors
Address :

C/104, Bonanza Indl.Estate, Ashok Nagar
Kandivali (E),Mumbai-400101

Contact :

Mr. Prajila Mahesh

E-Mail :

Quick Link