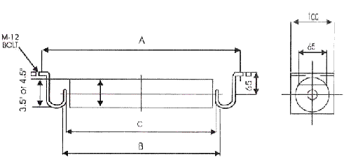
Return Idler

WIPERDRIVE ENGINEERING
Mumbai

Manufacturers of : Return Idler
Address :

11, Vasta House, Gr.floor, Janmaboomi Marg
Fort,Mumbai-400001

Contact :

Mr. Hemen B. Shah

E-Mail :

Quick Link